Tài liệu kỹ thuật đầy đủ tại đây DEGB-26 CML
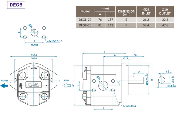
D | EGB | 22,7 | R |
Thiết kế bánh răng kép | Bơm bánh răng ngoài | Giao hàng không tải (cc/vòng quay) | Hướng quay (nhìn từ đầu trục) |
Bơm bánh răng ngoài loại B kép, độ ồn thấp | 22,7 | R: Theo chiều kim đồng hồ |
26,5 |



Bơm bánh răng ngoài của CML được sử dụng rộng rãi trong tất cả các loại máy móc sản xuất, máy móc gia công kim loại, máy móc xe cơ giới và hệ thống thủy lực.
Sự kết hợp các đặc tính của các loại bơm thủy lực khác nhau giúp giảm tiếng ồn, tạo môi trường làm việc thân thiện, tiêu thụ năng lượng thấp góp phần bảo vệ môi trường.
Chi phí thấp giúp tiết kiệm năng lượng, v.v. Quan trọng hơn, nó có thể cải thiện đáng kể độ chính xác và ổn định của hoạt động cơ khí và tối đa hóa lợi ích cho khách hàng.
CML cung cấp dịch vụ lắp ráp và lựa chọn động cơ, lắp ráp bơm bánh răng song song, và kết hợp bơm cánh gạt và bơm bánh răng, v.v. Nếu bạn có bất kỳ yêu cầu nào, vui lòng liên hệ với chúng tôi.
CML (Camel Precision Co., Ltd.) là một trong những nhà sản xuất hàng đầu tại Đài Loan, là nhà cung cấp giải pháp thủy lực tổng thể, chuyên sản xuất và kinh doanh các sản phẩm thủy lực, hỗ trợ khách hàng xây dựng các bộ nguồn và hệ thống thủy lực tùy chỉnh của họ.
Tính năng
- Thiết kế trục và then trục được mở rộng, giúp tăng áp suất làm việc và giảm tiếng ồn trong quá trình vận hành.
- Các bánh răng được làm từ thép đặc biệt, được gia công chính xác để bề mặt tiếp xúc của bánh răng có độ nhám bề mặt cao, đáp ứng yêu cầu của các sản phẩm chịu áp suất cao.
- Kích thước nhỏ gọn và tiết kiệm không gian, phù hợp cho các dụng cụ và máy móc chính xác thu nhỏ.
- Vỏ bơm được làm từ hợp kim nhôm đúc trọng lực, có độ bền và mật độ cao, đảm bảo hình dạng thân bơm và độ ổn định.
- Ống lót trong bơm bánh răng có đặc điểm chịu tải cao và hệ số ma sát thấp, giúp giảm mài mòn trục và tăng tuổi thọ sản phẩm.
- DEGB sử dụng thiết kế bánh răng kép, và vỏ máy sử dụng ba tấm bên để giảm rung động và tiếng ồn đầu ra.
Ứng dụng
- Thích hợp cho các loại máy móc có lưu lượng thấp và áp suất cao như máy cắt, máy gia công kim loại tấm, máy uốn, máy ép, v.v.
Xem thêm
Thu gọn
1. Giới thiệu
Chào mừng quý khách hàng đến với website chúng tôi.
Khi quý khách hàng truy cập vào trang website của chúng tôi có nghĩa là quý khách đồng ý với các điều khoản này. Trang web có quyền thay đổi, chỉnh sửa, thêm hoặc lược bỏ bất kỳ phần nào trong Điều khoản mua bán hàng hóa này, vào bất cứ lúc nào. Các thay đổi có hiệu lực ngay khi được đăng trên trang web mà không cần thông báo trước. Và khi quý khách tiếp tục sử dụng trang web, sau khi các thay đổi về Điều khoản này được đăng tải, có nghĩa là quý khách chấp nhận với những thay đổi đó.
Quý khách hàng vui lòng kiểm tra thường xuyên để cập nhật những thay đổi của chúng tôi.
2. Hướng dẫn sử dụng website
Khi vào web của chúng tôi, khách hàng phải đảm bảo đủ 18 tuổi, hoặc truy cập dưới sự giám sát của cha mẹ hay người giám hộ hợp pháp. Khách hàng đảm bảo có đầy đủ hành vi dân sự để thực hiện các giao dịch mua bán hàng hóa theo quy định hiện hành của pháp luật Việt Nam.
Trong suốt quá trình đăng ký, quý khách đồng ý nhận email quảng cáo từ website. Nếu không muốn tiếp tục nhận mail, quý khách có thể từ chối bằng cách nhấp vào đường link ở dưới cùng trong mọi email quảng cáo.
3. Thanh toán an toàn và tiện lợi
Người mua có thể tham khảo các phương thức thanh toán sau đây và lựa chọn áp dụng phương thức phù hợp:
Cách 1: Thanh toán trực tiếp (người mua nhận hàng tại địa chỉ người bán)
Cách 2: Thanh toán sau (COD – giao hàng và thu tiền tận nơi)
Cách 3: Thanh toán online qua thẻ tín dụng, chuyển khoản