1. Tổng quan về mã hiệu 150T-75FRL-TSP
Mã hiệu 150T-75FRL-TSP là dòng bơm thủy lực bánh răng (Gear Pump) được sử dụng phổ biến trong các hệ thống thủy lực công nghiệp và cơ giới hạng nặng. Thiết kế của dòng bơm này tập trung vào độ bền, khả năng chịu tải cao và lưu lượng ổn định.
Đặc trưng:





Cách đặt hàng:
Giải thích mã hiệu sản phẩm: 150T-75-FRL-PA
| Mã mô hình | mô tả |
1 | 150 | Số seri Bơm cánh quạt kép công suất cố định |
2 | T | Phương thức kết nối T: Loại điều khiển F: Loại mặt bích |
3 | 75 | Bơm cánh quạt gắn trục (cc/vòng quay) 48,61,75,94,116 |
4 | F | Phương pháp cài đặt F: Loại mặt bích L: Loại chân đế |
5 | R | Hướng rẽ R: Xoay về phía trước (Chiều Kim đồng Hồ ) L: Đảo ngược |
6 | L | Phần đầu ra (đầu trục bơm thực tế) R: Bên phải L: Bên trái - Sản phẩm tiêu chuẩn |
7 | PA | Nắp bơm cuối R1:6, 8, 10, 12, 14, 17, 19, 23, 25, 31 (cc/vòng quay) R2:26,33,38,41,47,53,59,65,75 (cc/vòng quay) 50T:7, 12, 14, 17, 20, 23, 26, 30, 36, 39, 43 (cc/vòng) 150T: 48, 61, 75, 94, 116, 126 (cc/vòng quay) PA: 2~12 (cc/vòng) PB: 8~35 (cc/vòng) |
8 | TSP | Kết nối với Bơm HGP-3A-F19R |
|
|
|
Thông số kỹ thuật
Mã số sản phẩm | Năng lượng phát ra (cc/ vòng quay) | Tốc độ quay (vòng/phút) | Áp suất tối đa (kgf/cm² ) | ||||
Tốc độ quay (vòng/phút) | |||||||
1000 | 1200 | 1500 | 1800 | Cao nhất | thấp nhất | ||
150T-48 | 48,3 | 57,9 | 72,4 | 86,9 | 1800 | 900 | 70 |
150T-61 | 61,5 | 73,8 | 92,2 | 110,7 | 1800 | 900 | 70 |
150T-75 | 75,5 | 90,6 | 113.2 | 135,9 | 1800 | 900 | 70 |
150T-94 | 94,2 | 113 | 141.3 | 169,5 | 1800 | 900 | 70 |
150T-116 | 116,3 | 139,6 | 174 | - | 1200 | 900 | 70 |
150T-126 | 125,6 | 149,5 | 186,9 | 226 | 1200 | 900 | 70 |


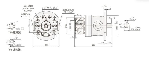
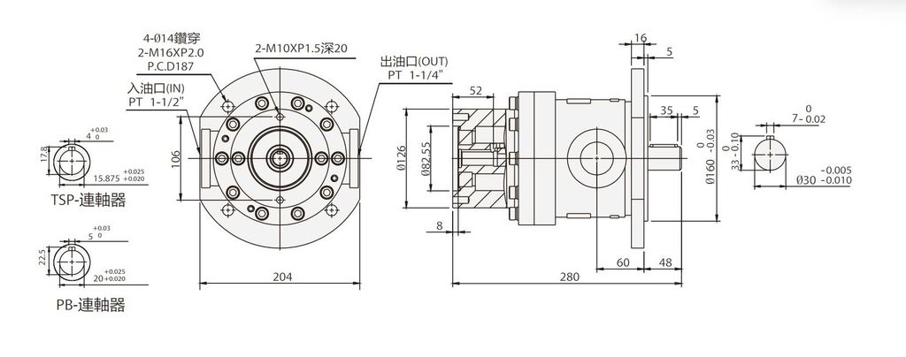
2. Bảng thông số kỹ thuật chi tiết
Dưới đây là thông số vận hành và kích thước cơ bản của bơm 150T-75FRL-TSP:
Thông số | Giá trị / Chi tiết |
Model | 150T-75FRL-TSP |
Lưu lượng | ~ 75 cc/rev (có thể thay đổi tùy theo vòng quay) |
Kiểu bơm | Bơm bánh răng ăn khớp ngoài |
Cổng kết nối | Mặt bích (Flange) / ren theo tiêu chuẩn |
Vật liệu thân | Hợp kim nhôm / Gang (tùy phiên bản) |
Công suất tối đa | 150 T (theo mã hiệu, tương đương dòng chảy lớn) |
Hướng trục | Trục vuông hoặc trục then hoa (tùy biến thể) |
Môi trường làm việc | Dầu thủy lực (Hydraulic Oil) |
3. Giải thích chi tiết mã sản phẩm
Việc giải mã thông số giúp bạn chọn đúng linh kiện thay thế:
4. Đặc điểm nổi bật
Bơm thủy lực 150T-75FRL-TSP, bạn cần lưu ý các ưu điểm sau:
5. Ứng dụng thực tế
Bơm thủy lực mã 150T-75FRL-TSP thường được tìm thấy trong:
6. Kết luận
Hiểu rõ thông số bơm thủy lực 150T-75FRL-TSP giúp quý khách hàng dễ dàng hơn trong việc bảo trì, sửa chữa hoặc nâng cấp hệ thống thủy lực của mình. Để đảm bảo thiết bị hoạt động tốt nhất, hãy luôn kiểm tra kỹ các chỉ số lưu lượng (cc/rev), kiểu kết nối (FRL) và thông số trục (TSP) trước khi thay thế.
Lưu ý: Một số thông số cụ thể như đường kính trục, chiều cao tâm, và kiểu ren trên cổng dầu có thể thay đổi đôi chút tùy theo lô sản xuất hoặc nhà phân phối. Quý khách nên liên hệ trực tiếp với nhà cung cấp uy tín để được tư vấn chính xác nhất.
Tài Liệu 1: Tại Đây
Tài Liệu 2: Tại Đây